Ticker

6/recent/ticker-posts

Advertisement

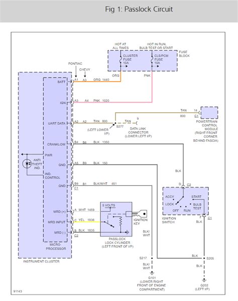
eBook Pontiac Sunfire Theft System Manual Reset

Currently you are looking with regard to an Pontiac Sunfire Theft System Manual Reset example that we provide here in some type of document formats such as PDF, Doc, Energy Point, as well as images that will make it simpler for you to create an Pontiac Sunfire Theft System Manual Reset yourself. For a more clear look, you are able to open a few examples below. All of the good examples about Pontiac Sunfire Theft System Manual Reset with this site, we get from several sources so you could create a better file of your own.

In case the search you obtain here does not match what you are looking for, please make use of the research feature that we have provided here. You are free to download anything at all that we provide in this article, expense cost you the slightest.

DOWNLOAD HERE

We all know that reading Pontiac Sunfire Theft System Manual Reset is beneficial, because we are able to get information through the reading materials. Technologies have developed, and reading Pontiac Sunfire Theft System Manual Reset books can be far more convenient and easier. We can read books on the mobile, tablets and Kindle, etc. Hence, there are lots of books coming into PDF format.

Below are some websites for downloading free PDF books to acquire as much knowledge as you desire. These days everybody, young and old, should familiarize themselves along with the growing eBook business. Ebooks and eBook readers provide substantial benefits over traditional reading. Ebooks reduce down on the make use of of paper, as strongly suggested by environmental enthusiasts. There are no fixed timings for study. There is no question of waiting-time for new editions. There is no transportation in order to the eBook shop. Typically the books in an eBook store can be downloaded quickly, sometimes for free, sometimes to get a fee.

Not merely that, the online version of books are typically cheap, because publication homes save their print in addition to paper machinery, the advantages of which are given to to customers. Further, the reach of the e-book shop is immense, permitting an individual living in Quotes to source out in order to a publication house in Chicago. The newest craze in the online e-book world is what are called eBook libraries, or e-book packages. An eBook bundle is something out of the ordinary. This consists of a huge number of ebooks bundled up together that are not really easily obtainable at one single place. So instead associated with hunting down and buying, say 100 literary timeless classics, you can purchase an eBook bundle which contains all these ebooks bundled together. These eBook libraries typically offer you a substantial savings, in addition to are usually offered in a variety of formats to match your brand of electronic reading device. Large companies, such since Amazon or Barnes as well as Noble, tend to not really carry these eBook your local library. If you want in order to purchase one of these your local library, you will have in order to search out independent eBook stores. These independent eBook stores typically package the e-book libraries by genre, in addition to have a wide selection of genres.